■円形人孔の開口部における照査について
円形人孔の開口部(側壁)の照査方法として、2006年制定トンネル標準示方書(開削工法編)P329 では、トンネル開口部が存在しない「側壁-1」と、トンネル開口部を有する「側壁-2」に対して検討する方法が示されています。(土木学会方式)
【側壁-1・側壁-2の解析モデル】
■東京都(特殊人孔構造計算の手引、P4-18)では、次の記載があります。
※東京都の場合、計算スパンとしては、版構造では壁厚の半分を加算しますが、梁構造の場合は壁厚の半分を加算しないルールのようです。(東京都方式)
※円形人孔の場合、下図のような片持梁になるケースが生じます。単純に平板の片持梁で計算することもありますが、厳密には円弧版の片持梁という条件となり構造的に有利な条件となります。あくまでも条件次第ですが、両端固定梁の計算のみで、片持梁の計算を省略する場合が多いです。
■円形立坑の開口部における合理的なモデル化に関する報告事例
大深度円形立坑の開口部に対して、FEMにより構造解析した場合の考察が報告されています。
R2年度土木学会全国大会第75回年次学術講演会(Ⅵ-921)
R3年度土木学会全国大会第76回年次学術講演会(Ⅵ-696)
※熊谷組(山口氏)、早稲田大学(板野氏、岩波氏)
【考察のまとめ(抜粋)】
・開口部付近の主応力の向きは,シールドトンネル開口の設置に伴い,水平方向から非欠円部の円形断面に向かう力の向きに変化する.
・欠円断面の主応力方向は,現行の設計手法で考えられているような鉛直方向ではなく水平方向となる.
・側壁-1に関し,梁公式を用いる現行の設計方法は,過大な設計になっている可能性がある.
・側壁-1においては,リングばねモデルを用いることで3次元効果を考慮することが可能である
・開口と開口の中心角が120°~150°程度以上あれば,十分なリング効果が期待できる.
※現行の設計方法(開口部の側壁を縦梁や片持梁で評価する方法)は、過大設計になっている場合もあると思いますので、今後の基準整備に期待したいところです。
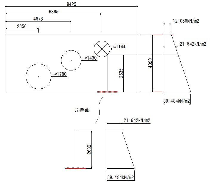
■円形人孔の開口部を片持梁として照査した場合 ■
円形人孔の開口部照査については、 トンネル標準示方書(開削工法編) において、開口部周辺の側壁を以下の2つの部材としてモデル化し照査する方法が示されています。
開口両側の側壁:両端固定梁(側壁-1)
開口上下の側壁:片持梁(側壁-2)
側壁-2については開口上下の壁部を独立した片持梁として扱うモデルとなっています。
下図のように開口部が上方に位置する場合、下側の片持梁のスパンが長くなるため、片持梁として設計すると必要断面が大きくなり、過大な部材寸法となります。
このため、以下に示す理由により、両端固定梁(側壁-1)のみの照査により部材を設計する方法も考えられます。
(理由)片持梁モデルは、開口上下の壁が両側の側壁から拘束されないものとして計算する方法であり、上下壁を側壁とは独立した片持梁として評価するものである。
しかし実際の構造では、開口上下の壁と開口両側の側壁は一体構造となっており、上下壁が変形しようとすると側壁がこれを拘束する。特に開口両側の側壁(側壁-1)は剛性が大きく、構造挙動はこの側壁の剛性に支配されるため、開口上下の壁が単独で片持梁のように変形する状態にはならない。
このため、片持梁モデルは側壁による拘束および荷重分担を考慮していない簡略化モデルであり、実構造より大きな曲げモーメントを算定する安全側(過大設計)の評価となる。

